
Yüksek kalite karbürden üretilen takmatik jiletler; sunta, MDF, melamin ve kaplamalı malzemelerin işlenmesinde kullanılan, değiştirilebilir jiletli kesici takımlarda kullanılır. Birkaç keskin kenar ile donatılan jiletlerin her kesici kenarı kullanılabilmekte ve jiletler köreldiğinde ya da kırıldığında değiştirilebilmektedir.
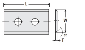
Jilet Tipi: High Performance 35° Değiştirilebilir Jilet
L: 30mm
W: 12mm
T: 1.5mm
a: 35°